Home -> Magazines -> Issues -> Articles in this issue -> View
Technically Speaking | |
Article from Making Music, September 1986 | |
First DIY steps to a MIDI sync box for your portastudio.
It's very hip to have a MIDI-tape interface. This wonderful device allows you to put a MIDI sync track on your demo-tape. Andy Honeybone built one. Isn't he nice? Part two next month.

MULTITRACKING is fun, but it's even more fun if, after six bounces, the drums still have the crispness of their original selves. To achieve this nirvana we must record a sync signal on the tape. Then when all the bouncing down is done, we can put the drum machine on last, triggered by this sync-signal, and know it will be perfectly in time with everything we've recorded so.
A quick check around the back of the trusty TR505 or RX11 shows a singular lack of sync socketry, and so it's down to us. This month's DIY special is therefore a MIDI-tape interface for the benefit of all and sundry.
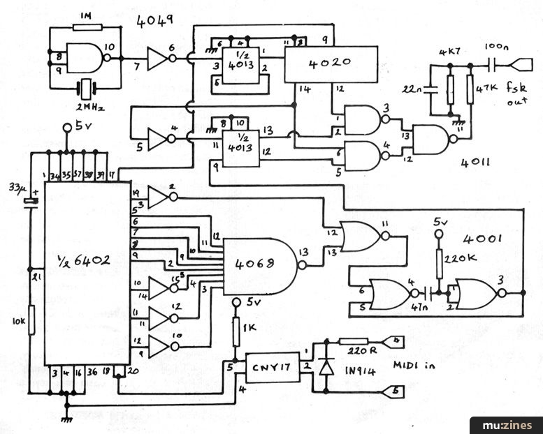
The scheme is this: extract the MIDI clock from the MIDI data stream and generate a pulse; use this pulse to clock a modulator to encode the clock as a change in frequency of a carrier signal. On recovery of this signal from tape, decode the clock pulse and use it to trigger the transmission of a MIDI clock byte.
Given the task, the first feeling is to use a micro but we want the micro to be a sequencer and our task is really too trivial to tie up so much hardware. Of course, using a micro would allow the stop, start and continue codes to be brought into play but at considerably higher cost than the system to be described here. The practical solution is to use a UART (Universal Asynchronous Receiver/Transmitter) chip with a bit (and a bit more) hardwired logic. The UART sees to the interconnection of serial (ie MIDI) data and its parallel representation. With the MIDI data in 8-bit 'sideways' format we can more easily detect or force timing codes.
The unit has a tape input and output, a MIDI in, a MIDI thru and two MIDI outs. In use, the scheme is this: first set your drum machine to generate a MIDI sync clock. On the TR505 this is done by turning the MIDI sync off (confusing isn't it?). Make connections to the heap of chips herein outlined and set the tape recorder to record with the tap sync output connected to a single track at the lowest level at which you can ensure reliable operation.
Set up a guide drum pattern and hook the instrument on which you will shortly let rip to a free track. Set the tape machine recording and start the drums. Lay down the track, remembering to give a count in of some sort so that you can start the drums in time on playback. On completion of the take, wind back the tape and set the drum machine to receive a MIDI sync. Start the tape playback and bring in the drums on cue from the count in. All being well, the drums should remain in sync throughout the performance.

Mixing Essentials - Mixing in the MIDI Age (Part 1) |
Chip Parade (Part 1) |
The Electric Drummer (Part 1) |
Orchestrating with MIDI (Part 1) |
Technically Speaking |
Modular Effects Rack Project (Part 1) |
A Low Cost, Special Purpose AR Generator |
Workbench - Signal Processors — the saga continues |
The RackPack |
The Sync-ing Feeling |
Local Area Networks |
Taking Control - Using MIDI Continuous Controllers |
Browse by Topic:
Feature by Andy Honeybone
mu:zines is the result of thousands of hours of effort, and will require many thousands more going forward to reach our goals of getting all this content online.
If you value this resource, you can support this project - it really helps!
New issues that have been donated or scanned for us this month.
All donations and support are gratefully appreciated - thank you.
Do you have any of these magazine issues?
If so, and you can donate, lend or scan them to help complete our archive, please get in touch via the Contribute page - thanks!