Home -> Magazines -> Issues -> Articles in this issue -> View
Trigger Converter for the Yamaha SPX-90 | |
Article from Home & Studio Recording, July 1986 | |
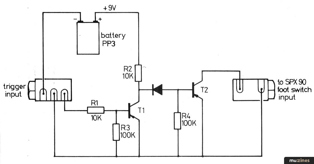
A simple circuit enabling you to trigger the footswitch input of your SPX-90 from a positive trigger pulse.
Once again, technology has taken precedence over the end user's actual requirements, so when you want to use a simple trigger pulse to initiate one of the SPX-90s many functions, you can't... that is, you couldn't until now.

MIDI is fine for polyphonic systems and makes a lot of sense for the control of monosynths, sequencers or complex drum machines, but when all you need to do is to trigger an event such as a sampled drumbeat, there is still no more practical method than the old trigger pulse. This coupled with the fact that most existing drum machines provide at least one trigger output should make it clear to the designer of any sampling device that a simple trigger input is clearly needed, no matter how many other MIDI marvels it may contain.
Fortunately, the SPX-90 does have a facility for triggering via an optional footswitch but this is configured such that the unit triggers when the switch is opened: a kind of reverse S-trigger action if you like. After minutes of intensive research I came up with the circuit below which will directly convert a trigger pulse such as is provided by Roland equipment into the form required to trigger the SPX-90. Indeed it was tested using the trigger output of a Roland TR707. There is no noticeable delay in the trigger circuit but the SPX-90 itself does take a couple of milliseconds to realise that it's been triggered, the outcome of which is that there is a barely perceptible delay. If you sample a snare drum and then play it back at the same time as the snare drum in your drum machine, you might detect a very short flam effect, but to be fair, the delay in the SPX-90 is a lot less than that found on some other currently available samplers and many users won't even notice it.
"There is no noticeable delay in the trigger circuit but the SPX-90 itself does take a couple of milliseconds to realise that it's been triggered..."
The trigger input from your friendly drum machine is fed into the input with the result that T1 is turned on every time a pulse is received. The collector voltage of T1 then falls far enough to allow T2 to turn off which is the equivalent of the footswitch opening. Once the pulse has ended, T2 again conducts simulating a closed switch. No circuit layout is given; it is such a simple design that all the components could be strung between two jack sockets in a small plastic box or built up on a scrap of Veroboard. T1 and T2 may be virtually any general purpose NPN transistors and D1 any silicon diode, though specific values are given in the parts list. Likewise the type and wattage of the resistors is entirely unimportant. In order to save cost, the battery is switched on automatically whenever a jack is inserted into the input socket, so be sure to unplug the unit when it is not in use.
| T1, T2 | BC107 |
| D1 | 1N916 |
| R1, R2 | 10K |
| R3, R4 | 100k |
| Stereo Jack Socket | 1 off |
| Mono Jack Socket | 1 off |
| PP3 battery clip | 1 off |
| PP3 battery | 1 off |
| Plastic Case | 1 off |
Tape Machines Line Up Here |
On the Level |
Practically MIDI (Part 1) |
Workbench |
Voltage-Controlled Clock for Analogue Sequencers |
The Value Of The Valve (Part 1) |
When Is A Pot |
Test Tone Oscillator |
The Shocking Truth |
Lab Notes: In Pursuit of the Wild QuASH |
Voltage Controlled Clock |
How It Works - Drum Machine |
Browse by Topic:
Fade away and radiate
(MX May 95)
Hands On: Yamaha SPX90
(SOS Dec 91)
Jack Of All Trades - Yamaha SPX90
(HSR May 86)
Mono Mode (Part 4)
(MT Nov 86)
The Power Behind the Button - Yamaha SPX90
(EMM May 86)
Yamaha SPX90
(MM Apr 86)
Yamaha SPX90
(SOS Apr 86)
Yamaha SPX90
(12T May 86)
Yamaha SPX90 Effects Processor - Studio Test
(IM May 86)
Yamaha SPX90 Multi-Effect Processor
(EMM Mar 86)
Browse category: Studio/Rack FX > Yamaha
Topic:
Gear in this article:
Studio/Rack FX > Yamaha > SPX90
Gear Tags:
Feature by Paul White
Previous article in this issue:
mu:zines is the result of thousands of hours of effort, and will require many thousands more going forward to reach our goals of getting all this content online.
If you value this resource, you can support this project - it really helps!
New issues that have been donated or scanned for us this month.
All donations and support are gratefully appreciated - thank you.
Do you have any of these magazine issues?
If so, and you can donate, lend or scan them to help complete our archive, please get in touch via the Contribute page - thanks!