Home -> Magazines -> Issues -> Articles in this issue -> View
Understanding Electronics | |
Noise GeneratorsArticle from Electronics & Music Maker, August 1982 | |
Noise sound synthesis with practical circuits
Noise is used as the basis of many musical effects, such as clapping and cymbal type sounds, and it can also be used to enhance effects which are based on tone generators. It also has applications as a control voltage source, particularly for random sample and hold note generation, and for modulation effects like thunder, etc. Probably most readers will be familiar with the 'hissing' of an FM radio off-station, but few people seem to understand just what electrical noise is, and how it can be generated.
Noise is really a randomly changing voltage, and it is not really possible to show a noise waveform in the same way as a sine-wave or squarewave signal can be shown as an oscillograph. If a large number of noise oscillographs were taken, due to the random nature of the signal, each one would be different. It is also difficult to show a noise signal as an oscillograph due to the very wide range of frequencies of which the signal is comprised. The most common type of noise is 'white noise', and this consists of all frequencies in equal amounts. As we shall see later, white noise can be filtered to produce various types of 'coloured' noise.
Special noise generating diodes are available, but are not very popular as they are quite expensive and require a fairly high supply voltage of around 22 volts. There are many other devices that can be used as noise generators, and Figure 1 shows a simple example of a zener diode noise generator.

Zener diodes are normally used as simple voltage stabilisers, but the output voltage does actually vary slightly and randomly, producing a good noise signal. Normally this noise signal is unwanted and is removed using a decoupling capacitor, but in this case the noise is coupled by C1 to a high gain common-emitter amplifier which utilises TR1. This gives a voltage gain of around 40dB, and boosts the output of the zener diode from around 10 millivolts peak to peak, to around 1 volt peak to peak. However, the signal level obtained will vary somewhat from one zener diode to another. Although a 5V6 zener is specified, the circuit will in fact work using any zener diode having an operating voltage of 6V8 or less.
There are alternative devices which can be employed in this circuit in place of the zener diode, and good results should be obtained using a germanium diode. These tend to have quite a significant reverse current flow, and the leakage current varies randomly from instant to instant giving the required noise signal. The output signal level is comparable to that obtained using a zener diode, but the noise generally has a noticeably less 'smooth' sound with some quite large voltage spikes present.
An excellent noise signal can be obtained using a germanium transistor. These tend to have significant leakage currents between the collector and emitter terminals (with the base left unconnected), and this current again changes randomly from instant to instant, producing the noise signal. In the circuit of Figure 1, and assuming that the transistor used is a PNP type (OC72, OC81, etc.), the collector connects to the negative supply rail and the emitter is connected to the junction of C1 and R1. With an NPN type, such as an AC127, the connections should be reversed. The output signal level is again something in the region of 1 volt peak to peak. Note that silicon diodes and transistors will not work properly if used as described since these devices have extremely low leakage current, and consequently give very little noise output.
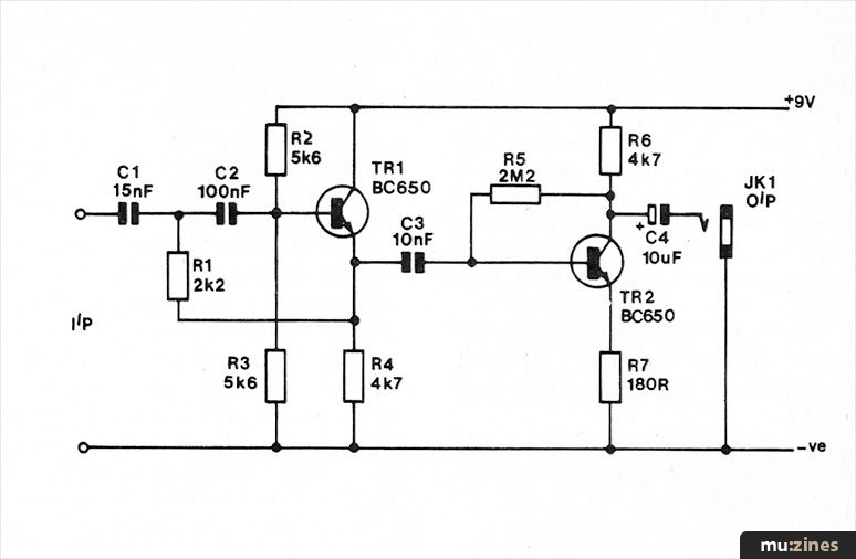
It is possible to use a silicon transistor as a noise generator if the reverse base-emitter breakdown characteristic of the device is used to give a sort of zener diode action. Assuming that an NPN type (the BC650 is suitable) is used, the base connects to the negative supply rail and the emitter is connected to the junction of R1 and C1. The collector is left unconnected. A PNP device such as the 2N3702 can be used, but the connections to the base and emitter leads should then be reversed. The output signal level is generally a little higher than that obtained using a zener diode or germanium devices, but some silicon transistors have a reverse base-emitter breakdown voltage that is too high to permit operation on a 9 volt supply. However, using a supply potential of around 12 volts or so, any silicon transistor should operate properly in this circuit.
Noise can also be generated using digital techniques and the normal method used is to have a shift register clocked at about 30kHz with several outputs connected via Exclusive-OR gates to the Data input. Although the pattern repeats, using a shift register 18 stages in length allows a maximum pattern of 218-1 states to be created. The signal can be tapped off the data input, decoupled and amplified.
National Semiconductor supply an IC which does all this on one chip, the MM5837. The circuit requires only two components to operate and is shown in Figure 2. C1 is a supply decoupling capacitor and C2 blocks the DC in the output signal. The output signal is a few volts peak to peak in amplitude.

Analogies are often made between noise and the visible light spectrum, and it is from this that the term 'white noise' is derived. Light at all frequencies in equal quantities gives white, uncoloured light. High frequency noise of around 6 to 20kHz is analogous to light at the blue end of the visible light spectrum, and could therefore be termed 'blue noise'. Similarly, noise at low frequencies in the region of 20 to 100Hz could be described as 'red noise', and middle frequency noise at frequencies of about 400Hz to 1kHz could be termed 'yellow noise'. However, only a rough analogy between audio frequency noise and the visible light spectrum can be drawn, since the latter covers a limited frequency range with the highest frequencies being less than double the lowest ones. The audio spectrum covers a span of about 20Hz to 20kHz, with the highest frequencies consequently about a thousand times higher in frequency than the lowest ones. This is, nevertheless, a convenient and useful way of describing filtered white noise of various types.
The most common type of coloured noise is 'pink noise', and this has equal signal levels in octave bands. In other words, there is the same signal level between 20 and 40Hz as there is between 40 and 80Hz, 80 and 160Hz and so on. This obviously gives reduced signal level at high frequencies in comparison to white noise, where there is equal signal level in bands of equal width (e.g. 20 to 40Hz, 40 to 60Hz, 60 to 80Hz, and so on).

Pink noise can be produced from a white noise source using a filter having a 3dB per octave attenuation rate. This is a slightly awkward roll-off rate since the lowest rate attainable using straight forward CR filters is 6dB per octave. It is therefore necessary to use a filter of the type shown in Figure 3, where several capacitive elements are used, with a resistor in series with each of these. The resistors prevent each capacitor from reaching the ultimate 6dB per octave attenuation rate, and as one section of the unit becomes ineffective the next section takes over. The exception is the final section which uses C4 with no series resistor. Here, as the input frequency is increased, a roll-off rate of 6dB per octave will eventually be produced, but only at frequencies above the upper limit of the audio spectrum. For this reason it would be superfluous to add a resistor in series with C4. Of course, a filter of this type does not give a perfect 3dB per octave slope, but it is more than adequate to give a good quality pink noise output.
TR1 is used in a simple common emitter amplifier which gives a small amount of voltage gain to compensate for losses through the filter. It also acts as a buffer amplifier which presents a high impedance load to the filter and gives a reasonably low output impedance.
Red noise can be produced by feeding a white noise source into a low pass filter having a fairly low cut-off frequency at about 100Hz. Low frequency noise of this type is useful as the basis of sea and wave type sounds.

The circuit of a white noise to red noise converter is shown in Figure 4, and this is a straightforward two stage active filter having a roll-off rate of 12dB per octave. This is sufficient to ensure that high frequency input signals are attenuated to the point where they are unnoticeable. The cut-off frequency of the filter is approximately 125Hz, but this can be varied by altering the values of C2 and C3, with changes in the values of these components producing an inversely proportional change in the cut-off frequency. C2 should always be kept ten times the value of C3. TR2 is used as a common-emitter amplifier which makes up for the losses through the filter circuit.

Blue noise can be produced from a white noise source using the filter circuit shown in Figure 5. This is a simple 12dB per octave active filter having a cut-off frequency of approximately 6kHz. This is, of course, a high pass type so that low frequency noise signals are attenuated and a high pitched 'hissing' sound is obtained from the circuit.
This type of noise can be used as the basis of cymbal type sounds and similar 'crashing' sounds.
By filtering out a fairly narrow band of noise signals, especially if the frequency band is around the centre of the audio spectrum, it is possible to produce quite interesting and slightly weird sounds. Without any envelope shaping, noise of this type sounds rather like the howling sound of a gale.

Figure 6 shows the circuit of a simple filter which gives a yellow noise output from a white noise input. TR1 is merely an emitter follower buffer stage which ensures that the main filter circuit is fed from a suitably low source impedance. The filter is a straightforward operational amplifier band-pass type with the circuit values chosen to give quite a narrow bandwidth with a peak response at about 700Hz. The centre frequency can be changed by altering the values of C2 and C3 and is inversely proportional to their value.
Voltage Controlled Clock |
Workbench - Signal Processors — the saga continues |
How It Works - Drum Machine |
Music Modules for NON-Keyboardists |
The Layman's Guide to Digital Logic Gates - (in one easy lesson) |
Experimenting With Analog Delay |
Workbench |
PA Signal Processor (Part 1) |
Dave Bristow on the Yamaha DX7 - Yamaha DX Keyboards |
Technically Speaking |
An Emulator for £10 |
Sounds Natural - The Acoustic Guitar (Part 1) |
Browse by Topic:
Feature by Robert Penfold
mu:zines is the result of thousands of hours of effort, and will require many thousands more going forward to reach our goals of getting all this content online.
If you value this resource, you can support this project - it really helps!
New issues that have been donated or scanned for us this month.
All donations and support are gratefully appreciated - thank you.
Do you have any of these magazine issues?
If so, and you can donate, lend or scan them to help complete our archive, please get in touch via the Contribute page - thanks!