Home -> Magazines -> Issues -> Articles in this issue -> View
The Spectrum Synthesiser (Part 1) | |
Professional Quality Monophonic InstrumentArticle from Electronics & Music Maker, January 1982 | |
Part 1 of a two part article on this exciting, long-awaited project

Since publication of the Spectrum articles was delayed earlier this year, many improvements have been made to the original design. The synthesiser can still be built for around £200, plus cabinet, yet offers features found only on expensive commercial instruments.
For the benefit of newcomers to the magazine, and to bring our regular readers up to date with the improvements that have been made, we will be reprinting some of the original material.
The project will be published in two parts, containing sufficient information to enable experienced constructors to build the Spectrum.
PCB track layouts and component overlays, cabinet drawings, a wiring chart and more comprehensive circuit descriptions are available in the Spectrum Synthesiser book, available from Maplin Publications for £1 plus 24p postage.
The Spectrum is a monophonic two oscillator switch-linked synthesiser featuring advanced specification, constructional simplicity and low cost. Modulation, timbre control, and interface facilities not found on any comparable synthesiser make it extremely powerful and versatile for keyboard playing, sound effects and many other home, stage, or studio applications. Construction is simplified by the use of integrated circuits that each perform major synthesiser functions with few external components. No gluing of contact blocks or bending of gold wires is needed to assemble the keyboard contacts; a new contact system only requires soldering of the contacts and drilling of the chassis to mount the contact PCB.

Figure 1 shows a block diagram of the synthesiser and the front panel legending is reproduced below. Modulation routing is accomplished by source and function switches and depth controls, rather than the usual method of providing each source with its own depth for each controlled function found on some small synthesisers. Switching is most suitable for a large number of sources as here, and allows fast selection of source and selection of modulation effects with preset depths, in favour of simultaneous modulation of one parameter by more than two signals. Six modulation signals are available: keyboard, controller, low frequency oscillator (LFO), envelope generator, noise generator and external. The keyboard is of the highest note priority type and has a glide which always completes even after the key is released — this makes the keyboard much more useful as a controller for effects sounds. The joystick controller routes a voltage dependent on the side-to-side position of the stick to various voltage controlled circuits, allowing it to be used to control the pitch (pitch bend) or timbre. The external voltage fed into the controller jack can override or add to the joystick voltage for control by additional synthesiser equipment, or a pedal can be plugged in and used for control by attenuating a fixed joystick voltage.


The low frequency oscillator generates random and regular sample and hold effects in addition to the four common waveforms. The regular S/H option allows rising and falling scales, rising and falling repeating groups of two, three or more notes, and other sequencer-like effects, with the pattern controlled by the LFO rate. A LED displays the LFO cycle and the joystick's vertical position determines the amplitude at the LFO manual output. The envelope generator is of the exponential ADSR type and, like the LFO, has + and - outputs that can be separately selected for each controlled parameter. The envelope generator shares its gate signal with the envelope shaper, which determines the loudness contour of each note. 'Single' on the gate selector switch causes gating each time a first key is depressed; 'Multiple' retriggers when any new note is played, allowing fast runs without 'missed' notes. 'Hold' keeps the gate high for continuous effects, and 'LFO' causes gating on each LFO cycle. In the 'Repeat' position the envelope generator retriggers at the end of the decay period, acting as an additional LFO with variable symmetry. This allows complex rhythmic effects when used with the LFO, and gives great scope for 'backdrop' sounds based around complex S/H patterns with periodic timbre sweeping effects derived from the EG. 'Key Repeat' brings in the repeat only when a key is held, allowing key-synchronised repeating notes and delayed modulation (the delay determined by the attack time). An LED indicates the EG's attack segment.
(VCOs) each have six switched octave ranges and five waveforms. The sub-octave output is a pulse wave with a square wave added an octave below, making the sound fuller and richer. The tuning LED detects the beats between the oscillators, and indicates when the pitches are in simple musical intervals, useful for tuning without sounding a note (e.g. on stage). The pulse width of VCO 1 is variable, and VCO 2 has a tune control with a ± one fifth range.

The VCOs can be used together to provide a vast range of sounds not possible with basic synthesisers having only waveform, shape, VCF cutoff and VCF resonance as the controls affecting basic timbre. This is done by frequency modulation and synchronisation — special features of this design. FM uses the triangle output of VCO 1 to modulate the frequency of VCO 2 up to ± 100% giving a whole range of non-harmonic tones for bell, gong and chime sounds etc. Synchronisation gives various waveforms from VCO 2 (see Figure 2) which have particular bands of harmonics emphasised for strong, voice-box-like sounds. This is achieved by resetting the output of VCO 2 upon each cycle of VCO 1, so the tones generated are always harmonic. Two modes of sync, are provided: Sync. I is that normally found on rampwave oscillators, the VCO 2 waveform beginning in the same way after each reset; Sync. II is something totally new — the triangle output is set to mid way each time but then carries on in the same direction in the new cycle. VCO 2 locks on to VCO 1 harmonics with the change from one harmonic to the next emphasised by a sharp change in tone. This enables automatic arpeggiation and incredible tone sweeps to be obtained since VCO 2 now is effectively a voltage controlled waveform generator/frequency multiplier. The sync. control attenuates the pulses fed to VCO 2 so that it only resets if the wave form is above a certain threshold, resulting in the oscillators being locked together in musical intervals (3rds, 5ths etc). Simultaneous Sync. I and FM produces harmonic tones with the shape of FM-ed waveforms within each cycle.
The ring modulator uses triangle and square VCO waveforms to provide further complex tones. Its output is mixed with the noise signal and fed into a special voltage controlled amplifier (VCA). This can be controlled by the LFO or EG, and gives the signals their own loudness contours. Hence noise 'chiffs' can be added to notes, or ring modulation set to swell in as a note decays.
The VCA output is fed to the voltage controlled filter (VCF) mixed with the VCO outputs. The VCF offers the two most useful responses, low pass and band pass, plus an intermediate response for bright sounds that remain strong in lower harmonics. Cutoff frequency and resonance controls perform their normal functions and a keyboard follow control determines how the cutoff frequency varies over the keyboard range.
After envelope shaping, the signal is fed to the voltage controlled pan circuit which can modulate the location of the sound in the stereo field by the LFO or EG signals. The stereo outputs can also be used for voltage control of the depth of external effects such as reverb, phase, and echo, by routing one signal via the effects unit and one direct to the amplifier. A mono output is also provided, and the VCA can also be used for additional amplitude modulation with the LFO as source (for tremolo and other effects).
The interface jacks allow connection to external devices such as sequencers, additional VCO banks, waveform processors etc. The Spectrum Synthesiser uses the 1V/octave CV standard, and can be interfaced to any other exponential CV synthesiser.

The moving contacts are silver-plated springs, each fixed at one end and moved at the other by the plunger of the respective key such that the spring makes contact with two palladium bars when the key is depressed (Figure 3). The first bar is connected to the sample and hold circuit which stores the voltage representing the last key depressed, and the second to a circuit which generates a gate signal for the S/H and the envelope generators. The moving contacts connect to the divider chain (see Figure 4). These functions are usually carried out by separate contact pairs, where unless the contacts are precisely set up, note jumping will occur when the envelope is gated before the S/H receives the new key voltage. The system used here is immune from this since the construction ensures the correct sequence of operation, and no initial setting up is required. The keyboard recommended in the parts list has removable key plungers so that cleaning the contacts is much easier too. Unclipping a plunger allows access to the sides of the bars and springs that meet.

The Power Supply Unit consists of two identical circuits providing the positive and negative supplies, driven by a dual secondary transformer. Each secondary produces about 21V when the AC signal is rectified and smoothed, and is fused for protection in the event of a power supply fault. Regulation is carried out by the well-known uA723 regulator IC which is used with an external power transistor in series pass mode to provide the required current. This current limits at 270 mA when the voltage across series resistor R1 (R2 in the -ve side) reaches 0.6V. RV1 (RV2) allows the rail voltage to be adjusted to exactly 15V, and D1 (D2) protects against reverse polarity, again in the event of a fault. The +15V regulated output of the side based around IC2 is connected to 0V of the IC1 side, giving the -15, 0, + 15V supply rails.

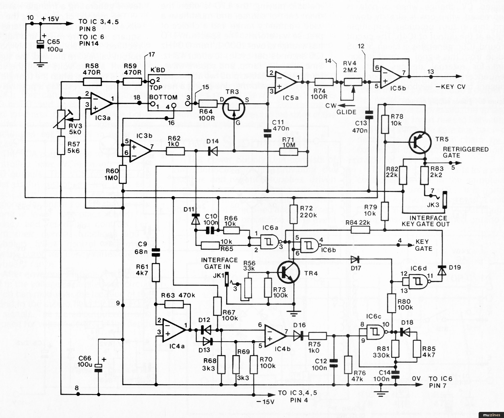
Figure 6 shows the circuit diagram of the keyboard controller. Connections 1 and 2 are the bottom and top respectively of the keyboard divider chain. This is arranged in the feedback loop of IC3a, which drives a current of about 1.8mA through the divider chain.
IC3b generates a signal that is used, after processing, to gate the envelope generators and key voltage sample and hold. With no keys depressed, the non-inverting input is held at 0V by R60 and since the inverting input is at +0.83V (determined by R58) IC3b's output is at its negative extreme, almost -15V. When a key is depressed, the voltage at the inverting input rises to between 1.7 and 5.7V since the gate bus-bar is connected to the divider chain by the contact of the depressed key, and the output of IC3b goes high.
TR3 is a FET which acts as a voltage controlled switch in the sample-and-hold circuit around C11. It is normally held off by the negative output voltage of IC3b, via R62 and D14, but upon this going positive it is turned on and C11 charges to the voltage on the S/H busbar (connection point 3). Since the contact spring makes with this before the gate bus-bar, the new key voltage is always ready for sampling by the time the FET is turned on. IC5 is a FET input op-amp with a very low input bias current. This ensures that when the key is released and TR3 turns off the charge on C11 is retained with the minimum of 'droop'. Even when C11 is a high quality type (as it must be), leakage in this component predominates over the input current of IC5a. On the prototype, it took about 15 minutes for middle A to drift up to A#.

If a new note is played on the keyboard before the previous one is released, a new CV is generated, but since the key gate signal remains high, the EGs will not restart their envelopes. This can be a problem when percussive envelopes are used, fast keyboard runs giving missed notes. The problem is eliminated by detecting a change in CV at the sample and hold output, and generating a key retrigger signal for the EGs. IC4a is a high-gain differentiator that produces a pulse for each change in the value of the CV. These pulses are rectified and squared up by the comparator IC4b, and lengthened by D16, R75, and C12 to a minimum of 5mS.
Contact bounce produces a very ragged CV change when a note is depressed while one is already down, and this in turn produces a multiple pulse at the output of IC4b. The circuit around IC6c generates a clean 500uS pulse from this signal — most important for external devices such as sequencers which count in response to triggers from the keyboard.
The de-bounced gate signal from IC6a is inverted by TR5, which drives the 'key gate out' interface jack. D19 causes the gate out signal to go low in response to the key retrigger signal. TR5 is arranged to pull the output to +15V to generate the gate signal — this system allows gates from different sources to be connected together, providing an OR-function that gates the controlled device if any source signal is high.
The output of the sample-and-hold circuit (TR3, C11, IC5a) is passed to the glide circuit (R74, RV4, C13, IC5b) which produces sweeps between successive notes. The time taken for a new note voltage to be reached is controllable from almost instantaneous to five seconds for one octave by RV4. IC5b is a low input bias current op-amp, avoiding any voltage drop across RV4 that would cause a perceptible pitch error with maximum glide.
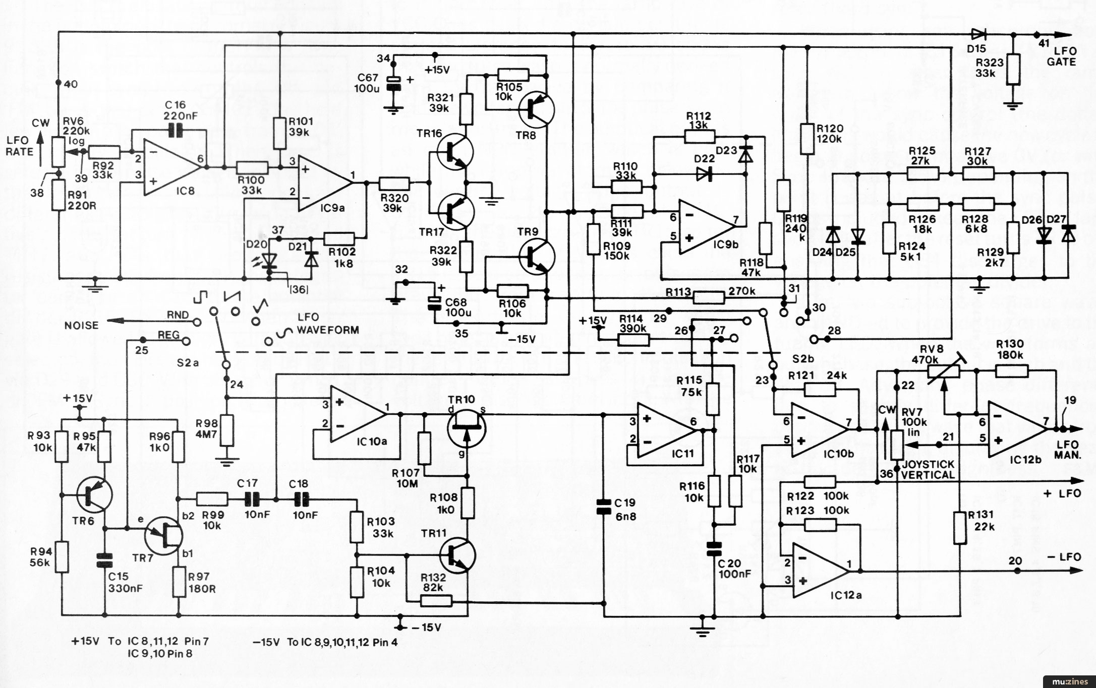
The Low Frequency Oscillator (LFO) of a synthesiser provides periodic waveforms for the control of other modules to produce modulation of pitch, timbre, amplitude etc. When the synthesiser is being used other than for simple melodic playing, the LFO is often the main control source, and must have a wide frequency range and a choice of precise waveforms. The Spectrum LFO has a range of over 1000:1, from 0.04 Hz (25 seconds per cycle) to about 42Hz. Sine, triangle, ramp, and square waveforms are available, plus two additional step-type waveforms, one giving a new random voltage on each cycle, the other producing a wide range of repeating sequences. A LED flashes to indicate the LFO cycle and is very useful, for quickly checking or setting the rate. Particular attention has been paid to waveform precision, and good symmetry is retained over the frequency range. Unlike many other designs, no setting up is required.

Figure 8 shows the circuit of the LFO. It is based around IC8, IC9a, TR8, 9, 16 and 17, which form a precision triangle and square wave generator. IC8 is an integrator driven by the voltage at the wiper of RV6, the Rate control.
IC9a is a comparator which reverses the voltage at the integrator input when its output reaches thresholds set by R100 and 101, so the integrator output ramps up and down between fixed levels generating a triangle wave.
The method of producing the ramp-wave is rather unusual. The triangle and square waves are mixed and half-wave rectified by IC9b. Since only positive output values are allowed, the signal is cut off at zero volts when the square wave is high i.e. when the triangle wave is falling. The result is a positive going half-wave rectified ramp wave, which gives a complete ramp wave when the triangle wave (and an offset) is added, producing a slope during the 'flat' half cycle and half-cancelling the slope during the other half.
The sine wave is generated by D24-27 and associated resistors. Minimum harmonic content of a sine wave used for control purposes is not as important as smoothness of the waveform — it should have no sharp changes of gradient and should slow down gradually towards the peaks.
The 'LFO MAN' output gives the selected waveform at a level controlled by the joystick y-axis. RV7 is the joystick pot, acting as potential divider fed by + LFO and buffered by IC12b. Since the joystick needs to move in both directions, there will be an indeterminate amount of LFO signal on the wiper of RV7 when the stick is central. RV8 cancels this signal out by introducing the same polarity signal to the inverting input of IC12b. This means that moving the joystick one way will give an increasing +LFO signal on the LFO MAN. output, while the other direction will give -LFO.
The regular and random LFO waveforms are step-type functions which change level abruptly at the beginning of each cycle and remain fixed until the next cycle starts. They are produced by the sample-and-hold circuit around C19 and differ in the type of input to the sample-and-hold (S/H). The random waveform has the output of the noise generator as its source, producing a new random voltage in the range ±2.5V every cycle. The regular waveform is more complicated since the source is periodic — a 20Hz rampwave which is synchronised to the main LFO. This is generated by the oscillator around TR6, 7 and C15.
The effect of sampling a constant frequency rampwave at a regular rate is to produce complex repeating sequences of voltages, the sequence length and type being determined by the sampling and sampled frequencies. This is often used to produce note sequences by modulating a VCO with the sample-and-hold output, but suffers from the disadvantage that the slightest change in sampling frequency or the frequency of the sampled waveform changes the effect. In practice it is very difficult to get a precisely repeating sequence, rather than one which has a repetitive 'theme' that steadily changes as a part of a truly repeating sequence with a much longer period. In other words, the results are often too complex and uncontrollable to be useful, and some method is needed to restrict the S/H waveform to shorter repeating sequences. The Spectrum is unique in providing this, and does so by prematurely resetting the rampwave oscillator if it is near the end of its cycle when sampling occurs. Referring back to the LFO circuit diagram, this is achieved by C17 and R99 which couple pulses from the LFO square wave to base 1 of TR7, the unijunction transistor in the rampwave generator. When the square wave goes low, the reset threshold of TR7 is effectively reduced by about 1 volt, so if the voltage on C15 is above +4V at this instant, the ramp wave is reset early and the sample-and-hold receives the voltage at the start of the next ramp cycle, i.e. -10V. The rampwave generator then runs normally until the next time it falls above +4V on a sample, whereupon it is reset and the sequence is repeated exactly. The time taken for this to occur depends upon the frequency ratio, but since the synchronisation is quite weak, sequences from very short to quite long are easily obtained and very long sequences are terminated when the premature reset condition arises.
Figure 9 shows the circuit diagram of the Voltage Controlled Oscillators. The oscillator control circuitry and the sections that combine the VCO signals by frequency modulation and synchronisation are also included.


Each VCO uses the CEM 3340 IC, which is specifically designed for this kind of application, allowing a versatile and precise VCO to be built with great improvements in cost, component count and specification over discrete designs. The CEM 3340 was fully described by Charles Blakey in 'IC's for Electromusic', E&MM March '81, so except where its usage in this design is unusual, we shall not discuss it in great depth here. The internal diagram is shown in Figure 10. The device is an exponential VCO with linear FM, sync, and pulse width control inputs. IC15 and IC16 are the basis of VCO 1 and VCO 2 respectively, and pin 15 of each is the exponential control input. This is a virtual earth summing node so each of the required signals for VCO pitch control are routed to this point via a resistor whose value which determines the control relationship (the amount of pitch change for a given voltage change). With the scale trim presets correctly set, 100k gives the required keyboard control relationship of 1V/Octave.
IC7a inverts the output of the glide circuit, and applies an offset so that the middle 'C' of the keyboard generates a key CV of 0V. This simplifies interfacing with additional equipment. The 'Tune' pot. (RV5) shifts the pitch up to +2 semitones.
The key CV signal is fed to VCO1 and VCO2 via R152 and R163 respectively, which are 100k 1% metal film resistors with a temperature co-efficient of better than 100ppm/°C. The precision is not important since the scale is trimmed, but the low temperature co-efficient is required to ensure that the control relationship remains constant with varying temperature. IC15 and IC16 are internally compensated for temperature changes, but stability of external control signals is just as important where it affects control scale.
The VCO CV interface socket accepts an external voltage from a device such as a sequencer for additional precise control of the VCOs. The voltage is buffered by IC7b and fed to pin 15 of IC15 by R147, R164 and RV21, and to pin 15 of IC16 by R148, R165 and RV22. Though 100k 1% resistors would give a control scale as precise as that for the keyboard, the external CV must match key CV for scale exactly, so RV21 and RV22 are included. S5, RV15, S7, and R157-161 perform the Modulation routing for the VCOs.
The controller enables the joystick or an external device to control either or both oscillator pitches, pulse width, or filter cutoff frequency with variable depth. IC14a amplifies the voltage from the wiper of RV13, the x-axis joystick pot. With the controller in/out socket unused, RV14 controls the amount of joystick voltage modulating the function selected by S6.
Each VCO has a range selector switch which transposes the pitch up or down over a total range of six octaves. The voltages for the different ranges are provided by the potential divider composed of R133-R138, RV9-12 and RV19. The 64' position is connected to 0V, and so adds nothing to the basic pitch for each VCO set by RV17 and 18. Successively higher positions of the range switches S3 and S4 add 2.4 volts per position. R145 ensures the correct current/frequency relationship for VCO 1, while VCO 2's control input may be trimmed by RV20 so that the oscillators remain exactly in tune during octave switching.
The synchronisation circuit appears in the bottom right hand corner of Figure 9. S8b is the pole of the FM & Sync Function switch that controls this circuit. When sync is off (in the 'Off' and 'FM' positions) pin 13 of IC17d is held low blocking the pulse wave from VCO 1, the 'master' oscillator. When sync is selected, the pulse wave is inverted by the NAND gate and the falling edges are differentiated to give 10us wide negative pulses that turn TR15 on. TR16 and TR17 are FETs that provide a low resistance path from C34, the integrator capacitor of IC16, to the potential divider R215, RV29, RV30 when either gate is allowed to go high. Without sync selected, the FETs are held off by R212 via D29 and D30. With S8 in the 'Sync I' or 'FM + Sync I' position, the gate of TR17 is connected to -15V holding it off, but on each sync pulse R214 is allowed to turn on TR16, and C34 discharges to the voltage set by RV30. With Sync II selected TR16 is held off and TR17 discharges C34 to the voltage on the wiper of RV29. Hence, at the end of each cycle of VCO 1, VCO 2's waveform is reset to one of two positions depending on which type of synchronisation is selected.

The synchronisation control uses the pulse wave facility of the CEM 3340 to inhibit reset until the rampwave of VCO2 has passed a certain point in its cycle. Reference to Figure 10 shows that the pulse wave is normally derived from the rampwave by comparing it with the voltage at pin 5, the pulse width modulation input. The output at pin 4 is an open NPN emitter, which is high while the ramp waveform is below the PW control voltage. This output is connected to the junction of R210, R211 in the base circuit of TR15 so for the first portion of VCO2's cycle the TR15 is held off and the sync pulses are prevented from resetting the cycle. The proportion of the cycle for which sync reset is inhibited is determined by the setting of RV26, the synchronisation control, which supplies a variable voltage to the PW control input. With the synchronisation control at 0 (>5V at pin 5) no sync reset can occur. At 10 (0V at pin 5) the PW output at pin 4 has no effect and every sync pulse causes reset (hard sync).

When using soft synchronisation, the PW output of IC16 turns TR15 off as soon as the reset takes the ramp waveform below the voltage on the wiper of the sync control (the dotted line). This would cause the new cycle to begin at some point above 0V (or with Sync II above 2.5V) depending on the point it was at before the sync pulse. C38 is included to keep the FET on for a short time after the reset turns TR15 off, ensuring that C34 discharges to the voltage on the potential divider.
The two sub-octave square waves are NAND-ed to provide the drive to the tuning LED. When the waveforms are out-of-phase, the output is high and the LED off. Advancing phase difference due to-slightly different frequencies produces a pulse wave that varies from 100 to 50% width, displaying the beats as fluctuating LED brightness.

Read the next part in this series:
The Spectrum Synthesiser (Part 2)
(EMM Feb 82)
All parts in this series:
Part 1 (Viewing) | Part 2
Browse by Topic:
Feature
mu:zines is the result of thousands of hours of effort, and will require many thousands more going forward to reach our goals of getting all this content online.
If you value this resource, you can support this project - it really helps!
New issues that have been donated or scanned for us this month.
All donations and support are gratefully appreciated - thank you.
Do you have any of these magazine issues?
If so, and you can donate, lend or scan them to help complete our archive, please get in touch via the Contribute page - thanks!