Home -> Magazines -> Issues -> Articles in this issue -> View
Pedal Your Way to Success in the Music Business | |
Article from Polyphony, April 1976 | |
With the release of the PAIA DeArmond foot pedal in the last issue of POLYPHONY a new area of synthesizer control has been opened for experimentation. Foot pedals allow the synthesist to move one step closer to one of the prime goals of electronic music, increased human control over the electronics. Rather than being limited to two hands as control elements, two more human variables can now be used. Undoubtedly, future developments will bring into being brain wave and programmed (computer) control — all of these being merely extensions of the person operating the machine. But, not to loose our footing here, let's get back to foot pedals and their use as control elements.

The pedal volume control can serve a multitude of uses without any modification at all. The inside of the pedal consists of a 1 meg potentiometer wired as shown on the right. As you can see, there is no capacitive coupling in the unit so it can be used with control voltages as well as audio signals. All you need are some special, easily constructed, patch cords and you're in business. You will need to construct four patch cords, two with shielded audio cable and a 1/4 inch phone plug on one end (to fit the pedal) and a mini-phone plug on the other (to fit the synthesizer). The other two cords use two conductor shielded cable with a 1/4 inch phone plug on one end and pin plugs installed on each of the two conductors on the other end. For easy reference, use two colors of pin plugs on each cord: red plugs for signal lead and black for ground. Connect the shield to the 1/4 inch plug. Remove about 6 inches of the cable cover and shielding on the pin plug end of these cables allowing about 12 inches between plugs just in case a grounded jack is not available near the control voltage jack that you wish to use.
Now that we're past the mechanics of cord construction we can put the pedal to use. The first and most obvious use is that which the pedal was originally intended for — a volume control. Since using a VCA which generates the same dynamics for each note and an Envelope Generator producing a programmed output level can be rather monotonous this simple patch can be extremely important from a musical standpoint. Patch the synthesizer audio output to the pedal input (labeled "INSTR"), and the pedal output (labeled "AMP") to your external amplifier. You can now add expression through phrasing, dynamic changes over a period of time to accent certain melodies, or accent a particular note within a phrase.
Other audio applications include adding pre-programmed chords or intervals to a basic one note patch via foot control by running the mixed chord or interval through the foot pedal prior to mixing with the single note patch at another mixer or VCA; as shown in figure 2; and adding reverb to selected notes or passages by patching the final signal to an output mixer and to the reverb input as shown in figure 3. The reverb should be set for full reverb effect, and no normal signal. The reverb output can then be passed through the pedal prior to being added to the original at the mixer.


As the pedal has no capacitive coupling, control voltages can be processed without fear of loosing DC levels or low frequency waveforms.
For use with control voltages, your other set of patch cords (with pin plug connectors) will be used. Patch configuration is similar to audio use, with the control voltage source being fed to the pedal input, and the pedal output being fed to the module to be controlled.
A basic example would be using the pedal to sweep a filter, similar to a guitar player's Wa-Wa. Adjust a bias supply for the maximum voltage you wish to be fed to the filter. Connect the "hot" plug of the pedal input cord to the preset bias output. The ground plug of this cord can be connected to a 4761 ground jack, or to a "variable" output of some module (control oscillator, envelope generator, etc.) where the variable output control has been set to minimum to ground the output jack. The "hot" plug of the pedal output cord is fed to the filter's control input. The ground plug on the second cord need not be connected due to the common ground between all modules via front panels and power supplies. Now the pedal can be used just as a guitarist uses his wa-wa pedal, only you can preset the range of your foot action due to the preset bias supply.
An envelope generator output can be used rather than the bias supply, giving the popular "sweeping filter on each note" effect, but using the pedal, you can vary just how far the filter deflects on each note or phrase.
Another popular use is pedal control of vibrato (or modulation of VCO's). This will give the effect popularized by the Mini-Moog modulation wheel, but you won't have to waste a hand doing it. Using the variable output of a low frequency oscillator, select the frequency and Maximum output level (vibrato depth) you will desire. Run the output through a coupling capacitor on the 2720-7 power supply to remove DC level (to eliminate any pitch shifts, or detuning as vibrato is applied), and connect the capacitor output to the pedal input. The pedal output is then connected to a VCO input. (Make sure one of the cords has a ground connection made). Now you can apply vibrato at will by depressing the pedal. Similarly, a bias voltage can be processed by the pedal prior to feeding a VCO to produce foot controlled pitch bending.

For use as a stereo panning pedal begin by feeding a 5 volt bias to the pedal input. The pedal output is then fed to a jack multiple, where one connection is made to a VCA control input and another connection to the input of an inverter (2720-12). The inverter output is fed to a second VCA, and the inverter offset is switched to 5 volts. A single audio source is fed to both VCA's but each VCA output is fed to a separate amplifier system. When the foot pedal is at minimum the signal is fed to one amplifier, and when the pedal is depressed, the signal will move to the other amp causing a stereo sweep or panning action. A slight variation of this patch would be to feed two separately patched sounds to the two VCAs, and feed the VCA outputs to a mixer. Now you can switch instantly between two completely different sounds at the touch of a toe, or you can select a blend of the two patches by leaving the pedal at an intermediate setting.

Another interesting type of pedal control can be obtained by using an audio cord to apply a higher frequency signal to the input of the pedal, and using a control voltage cord to apply the pedal output to the control input of a module. Try this with a VCO feeding another VCO or a VCF.
As you can see the possibilities are as unlimited as the synthesizer itself. Everything so far uses only a stock, unmodified pedal! Imagine the capabilities when you start experimenting with installing custom circuitry inside the pedal. The PAIA/DeArmond pedal is well suited to experimentation, as it has areas molded into the case to mount extra jacks, pots, etc. and it even has circuit board standoffs molded on the inside.
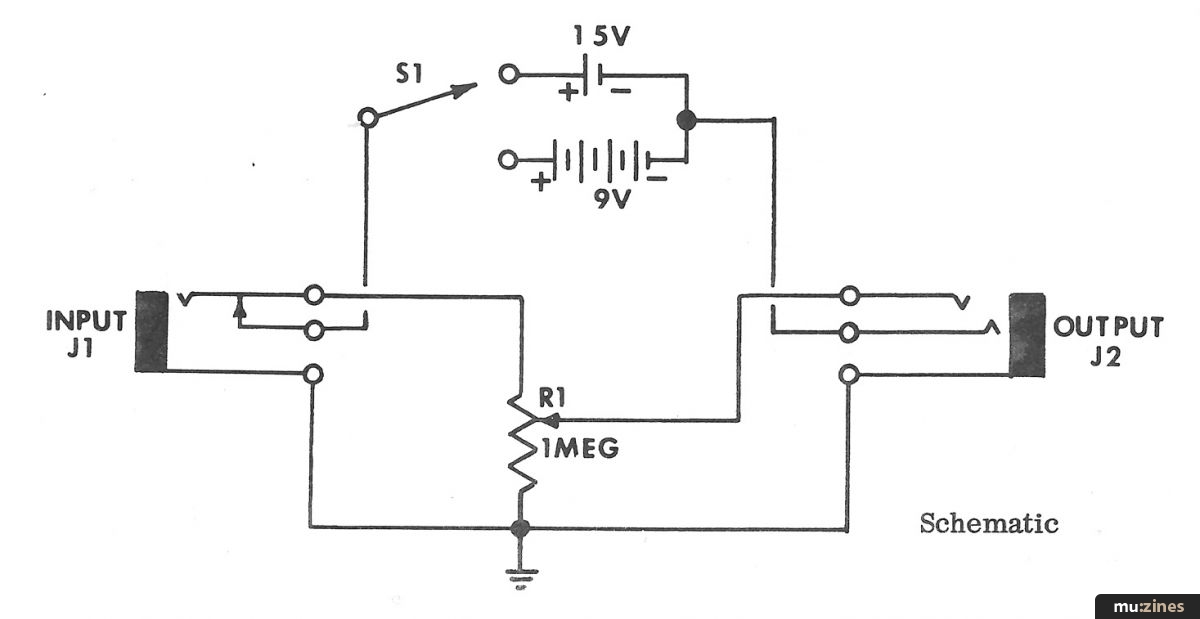
There are a lot of easy modifications which can be made to customize your pedal but one of the most beneficial is adding self contained bias supplied to the pedal. This modification need not eliminate the standard "volume control" function, as a switching jack can be used to select either mode of operation. A schematic and required parts list are given below.

1 - PAIA/DeArmond Foot Pedal
R1 - 1 meg ohm potentiometer (supplied with foot pedal)
S1 - SPDT toggle switch (miniature type)
J1 - 1/4 inch closed circuit phone jack (Switchcraft type 12A or similar)
J2 - 1/4 inch 2 conductor phone jack (switchcraft type 12B or similar)
Misc. - 9 volt type battery snap, 9 volt battery holder, size AA penlight battery holder, wire and 9 volt & penlight (AA) batteries.
The battery holders are fastened to the bottom plate of the pedal using hot glue or epoxy. The voltage selector switch is mounted in a hole drilled in the side of the pedal. Also, make sure that the proper type jack is mounted at the input/output jack holes. Since the pedal will still be used for audio signals, keep the wiring between the jacks and R1 shielded (as originally supplied).
Inserting a standard two conductor phone plug-into the output jack completes the connection between batteries and ground. The selected battery voltage is applied to the pot via the switch contacts of J1. This allows use of the pedal as a self contained bias supply. Plugging into the input jack disconnects the bias supply and routes an external signal through the pedal normally. Batteries are always disconnected when input is applied or output is removed, so the batteries should last for quite a while. Always be sure to remove all plugs when the pedal is not being used to prolong battery life.
As you can see, by now, a foot pedal (or two) is a very beneficial, as well as fun, addition to a synthesis system. You'll be seeing more about neat gadgets that can be built right into the pedal. The 9 volt bias modification can be used as a foot control for the "Speed" and "Center" jacks on the rear of the PAIA Synthespin and, if you play in a band and your guitar player likes Wa-Wa's, tell him that he hasn't heard a Wa-Wa until he has run his guitar through a 4730 filter set up for foot pedal control. Not only will it have a wider frequency range than any on the market, but it will have high-pass and low-pass response as well as the standard bandpass sound. The capabilities are tremendous, let your imagination take over and be sure to let us know what you come up with.
How To Make An EGG Mod |
How to Calm Hysterics in Op-amps |
Studio Project - Going Direct |
Destiny Modular Mixer - Input Module (Part 1) |
Putting on the Style |
Trigger Converter for the Yamaha SPX-90 |
Chip Parade (Part 1) |
Workbench - Impedance. What is it?! |
De-Esser Project |
Speaker Drive Units - Control Room (Part 1) |
Experimenters Circuits - Using The CA3080 |
Multi-waveform LFO |
Browse by Topic:
Feature by Marvin Jones
mu:zines is the result of thousands of hours of effort, and will require many thousands more going forward to reach our goals of getting all this content online.
If you value this resource, you can support this project - it really helps!
New issues that have been donated or scanned for us this month.
All donations and support are gratefully appreciated - thank you.
Do you have any of these magazine issues?
If so, and you can donate, lend or scan them to help complete our archive, please get in touch via the Contribute page - thanks!